hazard flasher relay wiring diagram

Cadillac CAD 2002 Under The Dash Electrical Circuit Wiring Diagram. 17 Pics about Cadillac CAD 2002 Under The Dash Electrical Circuit Wiring Diagram : Weekend 200NS hazard light project – Ramblings of a Singapore Biker Boy, Flashers and Hazards and also 3 Wire Flasher Relay Diagram - NZA-LALA.

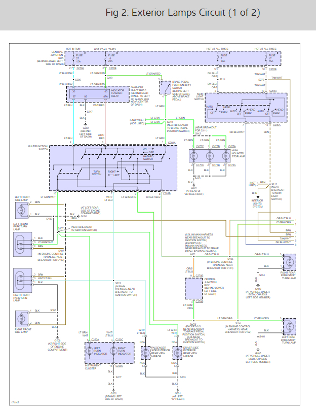
Cadillac CAD 2002 Under The Dash Electrical Circuit Wiring Diagram

Cadillac CAD 2002 Under The Dash Electrical Circuit Wiring Diagram www.carfusebox.com

cadillac cad escalade carfusebox

Signal Switch Box Hazard Kit - 2allbuyer

Signal Switch Box Hazard Kit - 2allbuyer 2allbuyer.com

hazard diagram signal switch kit turn ignition box lights signals key below

Weekend 200NS Hazard Light Project – Ramblings Of A Singapore Biker Boy

Weekend 200NS hazard light project – Ramblings of a Singapore Biker Boy sgbikerboy.com

hazard light wiring 200ns switch weekend project mirror boy left sgbikerboy

Db Flasher Unit Relay Wiring Diagram - Oxygen Sensor Diagram

Db Flasher Unit Relay Wiring Diagram - Oxygen Sensor Diagram oxygensensordiagram.blogspot.com

relay flasher singal aftermarket mobilecentre relays

Speedy Jim's Home Page, Aircooled Electrical Hints

Speedy Jim's Home Page, Aircooled Electrical Hints www.netlink.net

switch wiring headlight vw beetle relay 1970 wire diagram super 1968 terminal need connected wires headlights head showing ground aircooled

24v Flasher Relay Wiring Diagram - Diagram Media

24v Flasher Relay Wiring Diagram - Diagram Media diagramedia.blogspot.com

flasher wiring 24v derek norwood

Flasher Relay Location: Where Is The Flasher Relay Located On A

Flasher Relay Location: Where Is the Flasher Relay Located on a www.2carpros.com

relay flasher location enlarge

Flasher Relays - Other Vehicle Electronics

Flasher Relays - Other Vehicle Electronics spiyda.com

flasher

Flasher Relay Wiring Diagram Help - Electrical Engineering Stack Exchange

Flasher Relay Wiring Diagram Help - Electrical Engineering Stack Exchange electronics.stackexchange.com

flasher diagram relay wiring ep27 signal turn novita help flashing curious normally automotive

No Signals Or Hazards: Replaced Hazard/flasher Relay, Multi-...

No Signals or Hazards: Replaced Hazard/flasher Relay, Multi-... www.2carpros.com

hazards signals sponsored links

Chevrolet Corvette 1984 Electrical Circuit Wiring Diagram - CarFuseBox

Chevrolet Corvette 1984 Electrical Circuit Wiring Diagram - CarFuseBox www.carfusebox.com

corvette 1984 diagram wiring 1988 flasher electrical chevy chevrolet circuit alarm location door fuse unlock signal turn carfusebox center use

3 Wire Flasher Relay Diagram - NZA-LALA

3 Wire Flasher Relay Diagram - NZA-LALA nza-lala.blogspot.com

rocker flasher dpdt utv napa hotrods spdt carling innenausbau diagrama chanish engineering electricite elektrotechnik automotriz mecanica schaltungen electromecanica forumotion makeshift

Flasher Relay Problem: Flasher Relay Will Not Stop Clicking. All

Flasher Relay Problem: Flasher Relay Will Not Stop Clicking. All www.2carpros.com

relay flasher problem enlarge

Turn Signal Flasher: Where Is The Turn Signal Flasher In A 1997

Turn Signal Flasher: Where Is the Turn Signal Flasher in a 1997 www.2carpros.com

jetta vr6 passat volkswagen flasher gti volkswagon wolfsburg transporter

Turn Signal Flasher Relay Question

Turn signal flasher relay question forums.focaljet.com

turn signal flasher wiring focus diagram ford relay right location question general technical st rs

Hazard Switch - Rocker

Hazard switch - rocker www.autoelectricsupplies.co.uk

diagram wiring relay switch flasher led hazard indicator rocker

Flashers And Hazards

Flashers and Hazards www.netlink.net

bus hazard relay diagram switch way flashers wiring indicator vw circuit lights flasher turn signal terminal 12v warning indicators electrical

Turn signal flasher: where is the turn signal flasher in a 1997. Corvette 1984 diagram wiring 1988 flasher electrical chevy chevrolet circuit alarm location door fuse unlock signal turn carfusebox center use. Rocker flasher dpdt utv napa hotrods spdt carling innenausbau diagrama chanish engineering electricite elektrotechnik automotriz mecanica schaltungen electromecanica forumotion makeshift