hazard and turn signal wiring diagram

Turn Signal and Hazard Lights Do Not Work. 17 Pics about Turn Signal and Hazard Lights Do Not Work : Installing HAZARD switch | Techy at day, Blogger at noon, and a, How to Add Turn Signals and Wire Them Up and also Ford Fusion 2015 Electrical Wiring Diagram | Auto Repair Manual Forum.

Turn Signal And Hazard Lights Do Not Work

Turn Signal and Hazard Lights Do Not Work www.2carpros.com

Installing HAZARD Switch | Techy At Day, Blogger At Noon, And A

Installing HAZARD switch | Techy at day, Blogger at noon, and a mastercircuits.blogspot.com

hazard switch signal turn night wiring diagram flasher connection block noon techy hobbyist blogger installing

Turn Signal Wires - Ford Truck Enthusiasts Forums

Turn Signal Wires - Ford Truck Enthusiasts Forums www.ford-trucks.com

ford signal turn wires wiring diagram wire truck valley

| Repair Guides | Lighting Systems (2003) | Turn Signal And Hazard

| Repair Guides | Lighting Systems (2003) | Turn Signal And Hazard www.autozone.com

wiring turn 2003 diagram signal light tail hazard warning gmc nissan frontier switch xterra wire harness lighting lamps 1998 drawing

Turn Signals And Hazards Are Not Working

Turn Signals and Hazards Are Not Working www.2carpros.com

hazards signals

Turn Signals And Hazard Lights Not Working

Turn Signals and Hazard Lights Not Working www.2carpros.com

signals hazard turn lights working enlarge

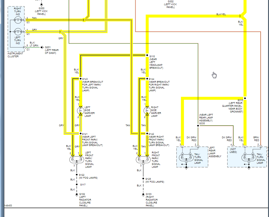
| Repair Guides | Lighting Systems (2003) | Turn Signal And Hazard

| Repair Guides | Lighting Systems (2003) | Turn Signal And Hazard www.autozone.com

2003 turn wiring signal hazard diagram light lights warning switch nissan frontier xterra diagrams lamps lighting autozone 1998 fig

Chevrolet Tahoe (2006) – Fuse Box Diagram - Carknowledge.info

Chevrolet Tahoe (2006) – fuse box diagram - Carknowledge.info www.carknowledge.info

yukon tahoe avalanche carknowledge obd2 location fusibles sicherungen 2002 fuses belegung sicherungskasten autogenius

Ford Fusion 2015 Electrical Wiring Diagram | Auto Repair Manual Forum

Ford Fusion 2015 Electrical Wiring Diagram | Auto Repair Manual Forum www.autorepairmanuals.ws

wipers

1968 Turn Signal/brake Issue - Ford Truck Enthusiasts Forums

1968 Turn Signal/brake issue - Ford Truck Enthusiasts Forums www.ford-trucks.com

ford turn signal brake 1968 wire issue turnsignal flasher emergency truck forums trucks

Turn Signal And Hazard Lights Don't Work At All

Turn Signal and Hazard Lights Don't Work at All www.2carpros.com

signal turn hazard lights don

Turn Signals Not Working: I Have Just Replaced The Hazard Switch

Turn Signals Not Working: I Have Just Replaced the Hazard Switch www.2carpros.com

turn signals working

Turn Signal/hazards Not Working: My Turn Signals Began To Freeze

Turn Signal/hazards Not Working: My Turn Signals Began to Freeze www.2carpros.com

turn hazards signal working sponsored links

Add Turn Signals To An Old Car

Add Turn Signals To An Old Car www.restore-an-old-car.com

signal

[HZ_6734] 1974 Hazard Switch Pins What Wire Goes Where Mgb Gt Forum Mg

[HZ_6734] 1974 Hazard Switch Pins What Wire Goes Where Mgb Gt Forum Mg elia.akeb.unec.frag.mohammedshrine.org

mgb wiring diagram 1974 1977 switch mg engine 1972 wire electronics basic hazard light

How To Add Turn Signals And Wire Them Up

How to Add Turn Signals and Wire Them Up www.how-to-build-hotrods.com

turn signals wire build

Fleetwood Motorhome Fuse Box

Fleetwood Motorhome Fuse Box abulhanna.blogspot.com

motorhome bounder workhorse f01 justanswer hazard

Motorhome bounder workhorse f01 justanswer hazard. 1968 turn signal/brake issue. | repair guides