hair dryer circuit diagram

6 Top Reasons Why Does Hair Dryer Trip My Circuit Breaker?. 16 Images about 6 Top Reasons Why Does Hair Dryer Trip My Circuit Breaker? : tools - Heating element as resistor for motor fan assembly in heat gun, Patent US5434946 - Hair dryer with continuously variable heat intensity and also Automatic hand dryer 4 - Basic_Circuit - Circuit Diagram - SeekIC.com.

6 Top Reasons Why Does Hair Dryer Trip My Circuit Breaker?

6 Top Reasons Why Does Hair Dryer Trip My Circuit Breaker? curltheblessing.com

hairdryers

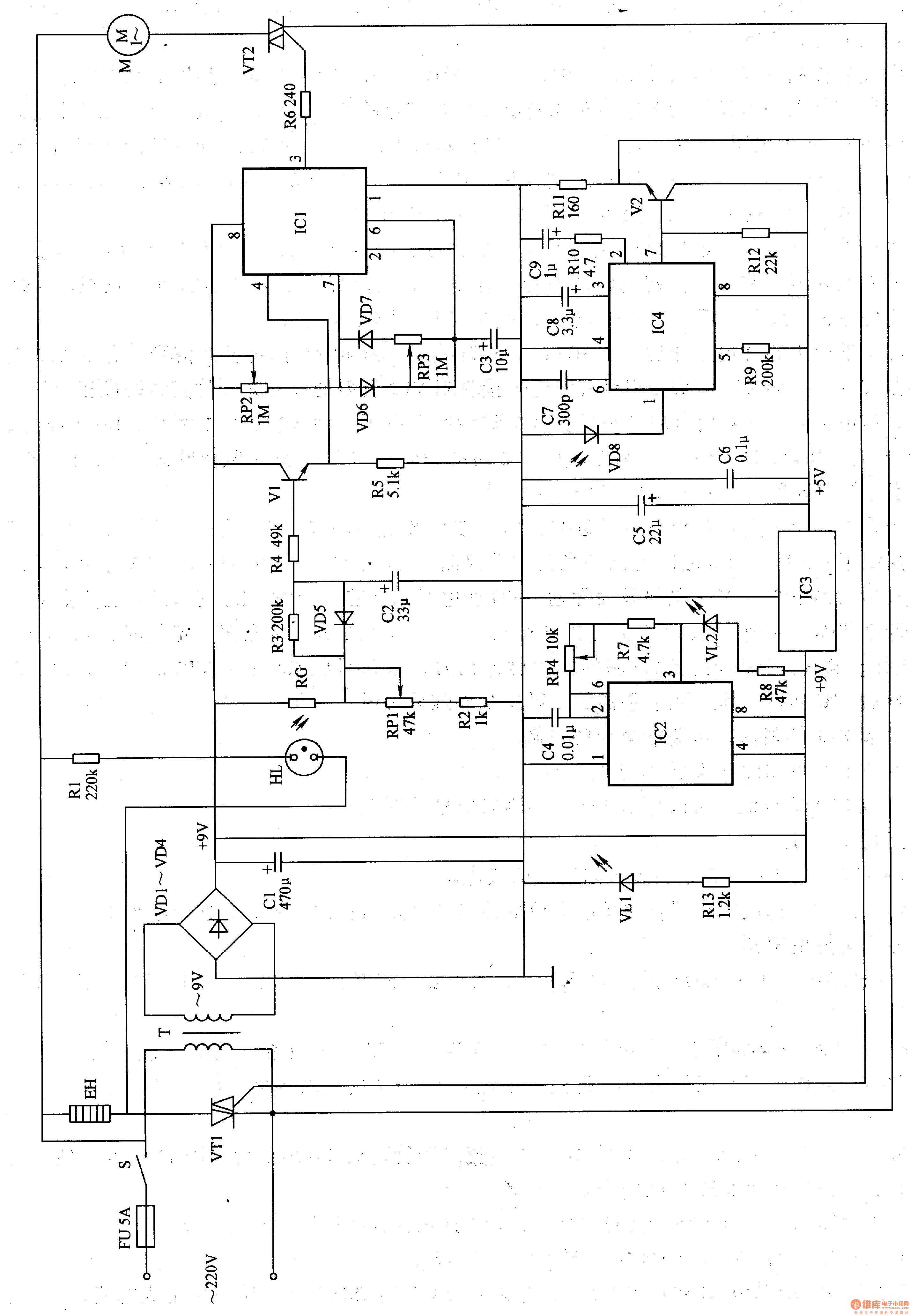
Hair Dryer Circuit Diagram

Hair Dryer Circuit Diagram besthairdryer2020.blogspot.com

structure dryer diagram hairdryer repository

Automatic Hand Dryer 4 - Basic_Circuit - Circuit Diagram - SeekIC.com

Automatic hand dryer 4 - Basic_Circuit - Circuit Diagram - SeekIC.com www.seekic.com

dryer hand circuit automatic seekic diagram infrared

8 Year Old Kenmore Drier Will Not Heat.

8 year old Kenmore drier will not heat. www.justanswer.com

dryer kenmore wiring diagram 110 whirlpool thermostat element heating electric wire parts elite electrical cabrio drier clothes motor heat repair

Brockbankrevision: Electric Power Question

brockbankrevision: Electric power question brockbankrevision.blogspot.com

circuit hairdryer question electric power

Determining The Proper Voltage For Your Dryer - Dryer Not Heating

Determining the Proper Voltage for Your Dryer - Dryer Not Heating dryernotheating.net

breaker tandem 240v breakers wfco installing wf determining

6 Top Reasons Why Does Hair Dryer Trip My Circuit Breaker?

6 Top Reasons Why Does Hair Dryer Trip My Circuit Breaker? curltheblessing.com

overloaded circut hairdryers camille

Power Supply - What Is The Type Of This Motor? Is It Suitable For My

power supply - What is the type of this motor? Is it suitable for my electronics.stackexchange.com

diagram dryer wiring schematic plug circuit hair motor imageservice cloud power circuitlab created using

Hair Dryer Parts – Medidas De Cajones De Estacionamiento Para

Hair dryer parts – Medidas de cajones de estacionamiento para groupstk.ru

dryer hair parts blow ac motor diagram ionic exploded hand professional travel dhgate wholesale household dryers 110v professiona turbo

Electrical - Dryer Not Turning On. Potential Component Isn't Getting A

electrical - Dryer not turning on. Potential component isn't getting a diy.stackexchange.com

component dryer ohm potential turning getting reading continuity got isn steps wires measured components purple

7 Simple Inverter Circuits You Can Build At Home | Homemade Circuit

7 Simple Inverter Circuits you can Build at Home | Homemade Circuit www.homemade-circuits.com

inverter circuits simple circuit homemade projects diagram 4047 frequency power build types around

Tools - Heating Element As Resistor For Motor Fan Assembly In Heat Gun

tools - Heating element as resistor for motor fan assembly in heat gun electronics.stackexchange.com

gun heat element heating schematic motor fan resistor assembly dryer hair revlon electrical subset functionally perhaps speeds probably similar stack

Air Conditioner Circuit Diagram - ORI-FUN-COSMETICS

Air Conditioner Circuit Diagram - ORI-FUN-COSMETICS ori-fun-cosmetics.blogspot.com

renesas amps voltas factor

Practical Electricity

Practical Electricity www.slideshare.net

Hair Dryer Circuit Diagram

Hair Dryer Circuit Diagram besthairdryer2020.blogspot.com

circuit hairdryer

Patent US5434946 - Hair Dryer With Continuously Variable Heat Intensity

Patent US5434946 - Hair dryer with continuously variable heat intensity www.google.com

hair dryer patents

8 year old kenmore drier will not heat.. Dryer kenmore wiring diagram 110 whirlpool thermostat element heating electric wire parts elite electrical cabrio drier clothes motor heat repair. Hair dryer circuit diagram