haierzer wiring diagram

Heat Strip Wiring Diagram / Wiring Diagram For Intertherm Mobile Home. 17 Pictures about Heat Strip Wiring Diagram / Wiring Diagram For Intertherm Mobile Home : Heat Strip Wiring Diagram / Wiring Diagram For Intertherm Mobile Home, Wyze thermostat wiring diagram : wyzecam and also Rockwell Beaver Sears table saw wiring diagram - YouTube.

Heat Strip Wiring Diagram / Wiring Diagram For Intertherm Mobile Home

Heat Strip Wiring Diagram / Wiring Diagram For Intertherm Mobile Home wiring05.blogspot.com

budgetheating

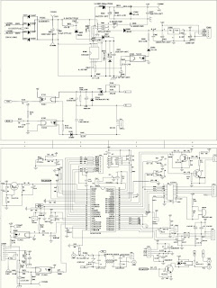
Free Download VVDI Pro Bosch ECU Adapter For BMW VW Wiring Diagram

Free download VVDI Pro Bosch ECU adapter for BMW VW wiring diagram blog.uobdii.com

ecu diagram wiring vw bosch me17 vvdi med17 pro xhorse adapter volkswagen bmw prog uobdii pinout

I Need A Wiring Diagram Now For A 71 Corvette It Is Broke Down On The

I need a wiring diagram now for a 71 corvette it is broke down on the justanswer.com

wiring diagram corvette broke need

Amazon.com: HAIER 0010451851 CIRCUIT BOARD FOR HAIER UNITS: Home & Kitchen

Amazon.com: HAIER 0010451851 CIRCUIT BOARD FOR HAIER UNITS: Home & Kitchen www.amazon.com

haier

Intercom Wiring Diagram

Intercom Wiring Diagram www.tankbig.com

wiring diagram nutone intercom jeron doorbell dan lee inter unusual chime door

HAIER THE-INFORMATION-FOR-UNITARY-FREE Service Manual Download

HAIER THE-INFORMATION-FOR-UNITARY-FREE Service Manual download elektrotanya.com

haier unitary

Haier Freezer Wiring Diagram

Haier Freezer Wiring Diagram schematron.org

wiring diagram freezer haier oven microwave kenmore electric chest electrical parts control unauthorized reserved right schematron

34 Haier Refrigerator Parts Diagram - Free Wiring Diagram Source

34 Haier Refrigerator Parts Diagram - Free Wiring Diagram Source mickygurlz.blogspot.com

haier permanently

Wyze Thermostat Wiring Diagram : Wyzecam

Wyze thermostat wiring diagram : wyzecam www.reddit.com

wyze thermostat wiring diagram

Haier Heat Pump Wiring Diagram - MIZZXERRAA

Haier Heat Pump Wiring Diagram - MIZZXERRAA mizzxerraa.blogspot.com

haier wiring btu

Rockwell Beaver Sears Table Saw Wiring Diagram - YouTube

Rockwell Beaver Sears table saw wiring diagram - YouTube www.youtube.com

saw wiring diagram table sears rockwell beaver

Electro Help: DC INVERTER AC – HAIER HSU 18HEA – WIRING DIAGRAM

Electro help: DC INVERTER AC – HAIER HSU 18HEA – WIRING DIAGRAM electronicshelponline.blogspot.com

inverter

HAIER PCB-MANUAL-AND-ERROR-CODE Service Manual Download, Schematics

HAIER PCB-MANUAL-AND-ERROR-CODE Service Manual download, schematics elektrotanya.com

haier conditioner diagram

1966 Beetle Wiring Diagram | TheGoldenBug.com

1966 Beetle Wiring Diagram | TheGoldenBug.com www.thegoldenbug.com

vw wiring beetle 1966 diagram coil ignition bug type fuse box thesamba thegoldenbug diagrams

50A Camper – Inverter W/ Solar & Alternator Charging – High Res Wiring

50A Camper – Inverter W/ Solar & Alternator Charging – High Res Wiring www.explorist.life

explorist wiring 50a

Electro Help: ERROR CODES And CIRCUIT DIAGRAM - HAIER AIR CONDITIONER

Electro help: ERROR CODES and CIRCUIT DIAGRAM - HAIER AIR CONDITIONER electronicshelponline.blogspot.com

haier

Help For Wiring Diagram Bridgeport Series 1

Help for Wiring diagram Bridgeport series 1 www.practicalmachinist.com

wiring bridgeport

Wiring diagram freezer haier oven microwave kenmore electric chest electrical parts control unauthorized reserved right schematron. Explorist wiring 50a. Haier wiring btu