h engine diagram

Barking Mad Speed Shop: These are great diagrams. 17 Pics about Barking Mad Speed Shop: These are great diagrams : british-racing-motors-h-16-flat-16-engine-diagram-photo-370780-s, Terms and also Snapper 7800102 - 281123BV, 28" 11 HP Rear Engine Rider Series 23 Parts.

Barking Mad Speed Shop: These Are Great Diagrams

Barking Mad Speed Shop: These are great diagrams www.barkingmadspeedshop.com

engine diagrams diagram motorcycle exploded single

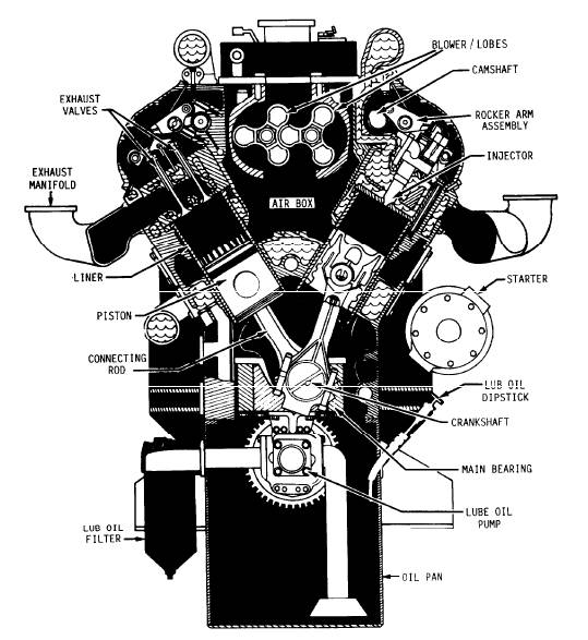
Motors:

Motors: www.ref-wiki.com

ac motor exploded motors types stator working air number presented engines electric

British-racing-motors-h-16-flat-16-engine-diagram-photo-370780-s

british-racing-motors-h-16-flat-16-engine-diagram-photo-370780-s www.pinterest.com

brm autosachen

Engine-2

Engine-2 www.tanakaspares.co.uk

engine parts

[CZ_5091] Wiring Diagram John Deere 140 Download Diagram

[CZ_5091] Wiring Diagram John Deere 140 Download Diagram pendu.greas.wigeg.mohammedshrine.org

jd

Single-acting Engines

Single-acting engines www.tpub.com

engines engine cross

Husqvarna LT 1000-14 (1991-03) Parts Diagram For General Assembly

Husqvarna LT 1000-14 (1991-03) Parts Diagram for General Assembly www.jackssmallengines.com

craftsman lt1000 mower diagrams lookup partstree ereplacementparts

Snapper 7800102 - 281123BV, 28" 11 HP Rear Engine Rider Series 23 Parts

Snapper 7800102 - 281123BV, 28" 11 HP Rear Engine Rider Series 23 Parts www.jackssmallengines.com

wiring briggs engine diagram hp tecumseh schematic rear start snapper series rider recoil electrical 5hp stratton parts mower switch engines

Download Engine Parts Wallpaper Gallery

Download Engine Parts Wallpaper Gallery www.wallpapersin4k.org

engine parts wallpapers chevrolet camaro hipwallpaper wallpapersin4k

Patent US8337359 - Hybrid Engine System - Google Patents

Patent US8337359 - Hybrid engine system - Google Patents www.google.co.uk

patents

MerCruiser 496 Mag (H.O. Model) Power Steering Parts

MerCruiser 496 Mag (H.O. Model) Power Steering Parts www.marineengine.com

parts mercury steering mercruiser power diagram mag pump engine sterndrive oem system marine base trim equivalent aftermarket listed example each

Fuse Box Diagram KIA Picanto (SA; 2008-2011)

Fuse Box Diagram KIA Picanto (SA; 2008-2011) fuse-box.info

kia picanto fuse 2008 box 2007 diagram sa 2004 fuses engine 2005 compartment relay 2006 2009

Engine 1

Engine 1 www.tanakaspares.co.uk

engine parts

Chapter 13. Engines

Chapter 13. Engines www-evasion.imag.fr

engines chapter

Terms

Terms automotiveprofessional1.blogspot.com

Fuse Box Diagram Vauxhall (Opel) Astra H Relay With Assignment And Location

Fuse box diagram Vauxhall (Opel) Astra H relay with assignment and location fuseandrelay.com

zafira vauxhall relays fuseandrelay

1kva 2kva 3kkva Online Sine Wave Ups Circuit Diagram With Double

1kva 2kva 3kkva Online Sine Wave Ups Circuit Diagram With Double www.alibaba.com

sine wave ups circuit diagram 2kva 1kva 3kva conversion double

Brm autosachen. British-racing-motors-h-16-flat-16-engine-diagram-photo-370780-s. Engine parts