h bridge ups circuit diagram

Proposed circuit diagram of line-interactive transformerless UPS system. 14 Images about Proposed circuit diagram of line-interactive transformerless UPS system : Low Voltage H-bridge - basic_circuit - Circuit Diagram - SeekIC.com, Pin on Electronic and also H-bridge circuit? — Parallax Forums.

Proposed Circuit Diagram Of Line-interactive Transformerless UPS System

Proposed circuit diagram of line-interactive transformerless UPS system www.researchgate.net

transformerless microtek battery

DC Motor Speed Control PWM Circuit

DC Motor Speed Control PWM circuit theorycircuit.com

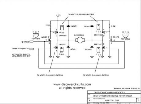
Low Voltage H-bridge - Basic_circuit - Circuit Diagram - SeekIC.com

Low Voltage H-bridge - basic_circuit - Circuit Diagram - SeekIC.com www.seekic.com

bridge circuit voltage low seekic control motor dc inverted ttl volts inputs rated classic type

Inverter Circuit Block Diagram - Home Wiring Diagram

Inverter Circuit Block Diagram - Home Wiring Diagram homewiringdiagram.blogspot.com

circuit welding rangkaian osilator schematic ide mosfet

Sg3524 Inverter Circuit Diagram - Style Guru: Fashion, Glitz, Glamour

sg3524 inverter circuit diagram - Style Guru: Fashion, Glitz, Glamour www.stylesgurus.com

circuit inverter circuits sg3525 diagram sg3524 pure sine wave sinewave ic schematics power using homemade charger low arduino

H-BRIDGE WITH PWM Circuit

H-BRIDGE WITH PWM Circuit www.555-timer-circuits.com

555 circuit bridge timer circuits pwm ne555 diagram electronic projects motor control speed ic reverse basic forward electronics lm555 direction

Wiring Machine: Pure Sine Wave Inverter Circuit

Wiring Machine: Pure Sine Wave Inverter Circuit doyourwire.blogspot.com

circuit inverter wave sine pure makingcircuits 500va electronic using projects simple diagram electronics power above output could circuits correction enhanced

Pin On Electronic

Pin on Electronic www.pinterest.com

edaboard

Circuit Diagram For 3kva Inverter - Wiring View And Schematics Diagram

Circuit Diagram For 3kva Inverter - Wiring View and Schematics Diagram www.wiringview.co

pwm mosfet électrique 3kva savoir

Make This 1KVA (1000 Watts) Pure Sine Wave Inverter Circuit

Make This 1KVA (1000 watts) Pure Sine Wave Inverter Circuit www.homemade-circuits.com

circuit inverter diagram sine wave pure watt 1000 watts 1000w diy schematic 12v 2000w 1kva parallel amplifier using circuits simple

Make This 1KVA (1000 Watts) Pure Sine Wave Inverter Circuit | Homemade

Make This 1KVA (1000 watts) Pure Sine Wave Inverter Circuit | Homemade www.homemade-circuits.com

inverter circuit bridge sine homemade 1kva pure wave channel circuits using kva 1000 sg3525 diagram dc ups watts power pinout

Complete Schematic Diagram Of Transformer-less Grid-tie Inverter In

Complete schematic diagram of transformer-less grid-tie inverter in www.researchgate.net

inverter psim watts sajib

Circuit Design - Getting More Power Out Of An H-Bridge - Electrical

circuit design - Getting More Power out of an H-Bridge - Electrical electronics.stackexchange.com

H-bridge Circuit? — Parallax Forums

H-bridge circuit? — Parallax Forums forums.parallax.com

circuit bridge parallax forums

Sg3524 inverter circuit diagram. Transformerless microtek battery. H-bridge circuit? — parallax forums