guest charger wiring diagram

Pin on Home electrical wiring. 15 Pictures about Pin on Home electrical wiring : Boat Battery Charger Wiring Diagram Free Engine Of 3 Phase Isolator, Beautiful Of Guest Marine Battery Switch Wiring Diagram Charger and also Boat Battery Charger Wiring Diagram Free Engine Of 3 Phase Isolator.

Pin On Home Electrical Wiring

Pin on Home electrical wiring www.pinterest.com

26 2 Bank Battery Charger Wiring Diagram - Wiring Diagram List

26 2 Bank Battery Charger Wiring Diagram - Wiring Diagram List skippingtheinbetween.blogspot.com

trolling

Charging System & Wiring Diagram YouTube - YouTube

Charging System & Wiring Diagram YouTube - YouTube www.youtube.com

diagram briggs wiring charging stratton system engine kohler hp cub cadet diode automotive parts intended starter amp

"CHARGER" FOR ALL | MODEL CONSTRUCTION

"CHARGER" FOR ALL | MODEL CONSTRUCTION modelist-konstruktor.org

charger diagram wiring

Quiq Battery Charger Wiring Diagram - Wiring Diagram

Quiq Battery Charger Wiring Diagram - Wiring Diagram jumpstarterdiscount.blogspot.com

quiq

Tips & Tricks To Help Your Charging System - Electrical - VFRDiscussion

Tips & Tricks To Help Your Charging System - Electrical - VFRDiscussion www.vfrdiscussion.com

wiring charging tricks tips system help vfrdiscussion diagram

Beautiful Of Guest Marine Battery Switch Wiring Diagram Charger

Beautiful Of Guest Marine Battery Switch Wiring Diagram Charger annawiringdiagram.com

bep relay acr 120a

Boat Battery Charger Wiring Diagram Free Engine Of 3 Phase Isolator

Boat Battery Charger Wiring Diagram Free Engine Of 3 Phase Isolator www.pinterest.com

wiring battery diagram isolator boat switch charger hersee cole marine engine sure alternator rv power kota minn dual wire multi

Help With Charging System Wiring. - Electrical - Ratsun Forums

help with charging system wiring. - Electrical - Ratsun Forums ratsun.net

charging wiring system help explains doing kind am

Green4 Charge Controller: Wiring Diagrams Part 2

Green4 charge controller: wiring diagrams part 2 www.rtos.be

wiring controller charge turbine wind green4 dump load diagrams diagram

Wiring Diagram For Battery, Charger And Switches. | Bloodydecks

Wiring diagram for battery, charger and switches. | Bloodydecks www.bdoutdoors.com

battery wiring diagram switches charger

Some Considerations About The Charging And Wiring Upgrade And Your

Some considerations about the charging and wiring upgrade and your www.dodgecharger.com

dodgecharger ammeter a12

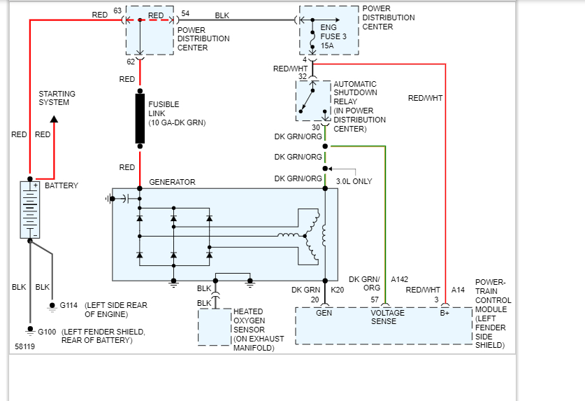
Charging System Wiring Diagram Needed: It Seem There Is Something

Charging System Wiring Diagram Needed: It Seem There Is Something www.2carpros.com

charging wiring needed diagram system

Chrysler Crossfire Wiring Diagram : 2004 Chrysler Crossfire Auxiliary

Chrysler Crossfire Wiring Diagram : 2004 Chrysler Crossfire Auxiliary lapastari.blogspot.com

crossfire wiring

Some Considerations About The Charging And Wiring Upgrade And Your

Some considerations about the charging and wiring upgrade and your www.dodgecharger.com

dodgecharger amps shunt

Wiring battery diagram isolator boat switch charger hersee cole marine engine sure alternator rv power kota minn dual wire multi. Beautiful of guest marine battery switch wiring diagram charger. Diagram briggs wiring charging stratton system engine kohler hp cub cadet diode automotive parts intended starter amp