gu patrol wiring diagram fuel pump

Vp44 Fuel Pump Wiring Diagram. 16 Images about Vp44 Fuel Pump Wiring Diagram : Gu Patrol Wiring Diagram Fuel Pump, Gu Patrol Wiring Diagram Fuel Pump and also Gu Patrol Wiring Diagram Fuel Pump.

Vp44 Fuel Pump Wiring Diagram

Vp44 Fuel Pump Wiring Diagram blogmaygomes.blogspot.com

vp44 blogmaygomes

Fuel Pump

fuel pump www.betaboyz.myzen.co.uk

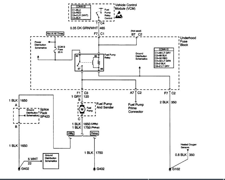
Gu Patrol Wiring Diagram Fuel Pump

Gu Patrol Wiring Diagram Fuel Pump rebelion-brujos.blogspot.com

brujos rebelion

In Line Diesel Fuel Filter Water Separator - Hammasjones

In Line Diesel Fuel Filter Water Separator - Hammasjones hammasjones.blogspot.com

separator

Fuel Pump Question-electrical - Pelican Parts Forums

fuel pump question-electrical - Pelican Parts Forums forums.pelicanparts.com

930 fuel pump diagram 1986 turbo 911 1979 wire forums pumps sc air euro gone cole miss mark don pelicanparts

Power To Fuel Pump: My Vehicle Is Not Getting Power To The Fuel

Power to Fuel Pump: My Vehicle Is Not Getting Power to the Fuel www.2carpros.com

fuel power pump enlarge

Fuel Pump Module Bypass

Fuel pump module bypass www.thegalantcenter.org

bypass module pump fuel ultimately insulated connector connect needs wire comes radio behind

Td42 Injector Pump Wiring Diagram - Wiring Diagram

Td42 Injector Pump Wiring Diagram - Wiring Diagram wiringdiagram.2bitboer.com

td42 injector gu outletdiagram

Fuel Pump Wiring_zpssqolfi62.png Photo By 81zapper | Photobucket

fuel pump wiring_zpssqolfi62.png Photo by 81zapper | Photobucket s671.photobucket.com

fuel pump wiring chevelle photobucket bucket cards

Gu Patrol Wiring Diagram Fuel Pump

Gu Patrol Wiring Diagram Fuel Pump rebelion-brujos.blogspot.com

patrol rebelion brujos

On A 77 Cj5 Is The Wire On Fuel Sending Unit That Is On The Tank A Hot

On a 77 cj5 is the wire on fuel sending unit that is on the tank a hot www.justanswer.com

fuel sending unit cj5 wire jeep pump ground electric tank

Fuel Pump Not Working: Is There A Security Shut Off To The Fuel

Fuel Pump Not Working: Is There a Security Shut Off to the Fuel www.2carpros.com

fuel pump working

Donaldson Diesel Performance - Jonesgruel

Donaldson Diesel Performance - Jonesgruel jonesgruel.blogspot.com

donaldson

Gu Patrol Wiring Diagram Fuel Pump

Gu Patrol Wiring Diagram Fuel Pump rebelion-brujos.blogspot.com

wiring

Fuel Pump Grounding - Help Me !! - The Classic Zcar Club

Fuel Pump Grounding - Help Me !! - The Classic Zcar Club www.classiczcars.com

grounding

Td42 Injector Pump Wiring Diagram - Wiring Diagram

Td42 Injector Pump Wiring Diagram - Wiring Diagram wiringdiagram.2bitboer.com

11mm tdiclub wiring

Fuel power pump enlarge. Donaldson diesel performance. Bypass module pump fuel ultimately insulated connector connect needs wire comes radio behind