gps circuit schematic

GPS Disciplined Frequency Standard. 18 Pictures about GPS Disciplined Frequency Standard : GPS Module circuit diagram | Download Scientific Diagram, Gps Tracking Device Circuit Diagram - Circuit Diagram Of Location and also Index 8 - Signal Processing - Circuit Diagram - SeekIC.com.

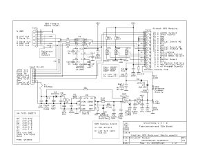
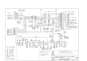
GPS Disciplined Frequency Standard

GPS Disciplined Frequency Standard electronics-diy.com

10mhz oscillator disciplined rubidium

Building A Quadcopter Running On Arduino Yún | Arduino Blog

Building a quadcopter running on Arduino Yún | Arduino Blog blog.arduino.cc

arduino quadcopter schematic mega drone controller wiring flight running building yún diy sketch pid robot yun arm

GPS Schematic | Schematic For GPS Breakout. | Andrew Meyer | Flickr

GPS Schematic | Schematic for GPS breakout. | Andrew Meyer | Flickr www.flickr.com

RF MiliWatt Meter – PAøRWE

RF MiliWatt meter – PAøRWE pa0rwe.nl

Gps Circuit Page 2 : RF Circuits :: Next.gr

gps circuit Page 2 : RF Circuits :: Next.gr www.next.gr

gps gr rf module

Gps Tracking Device Circuit Diagram - Circuit Diagram Of Location

Gps Tracking Device Circuit Diagram - Circuit Diagram Of Location optischemaus.blogspot.com

20pu atmel attiny84 elektroda wires

Electric Massager | Electronic Circuit Diagram And Layout

Electric Massager | Electronic Circuit Diagram and Layout www.afiata.com

massager diagram circuit electric mini electronic linkedin google

GPS Tracking Using ESP32 And IoT Platform Over MQTT | AskSensors Blog

GPS Tracking using ESP32 and IoT Platform over MQTT | AskSensors Blog blog.asksensors.com

esp32 mqtt

GPS Module Circuit Diagram | Download Scientific Diagram

GPS Module circuit diagram | Download Scientific Diagram www.researchgate.net

Diagram Description GPS Support Kit - Signal_Processing - Circuit

Diagram description GPS support kit - Signal_Processing - Circuit www.seekic.com

gps diagram circuit support kit seekic processing signal

Solid State Timer | Solid State Relay Timer | Electrical Academia

Solid State Timer | Solid State Relay Timer | Electrical Academia electricalacademia.com

delay relay timer solid state diagram wiring layout electrical normally closed switch ac connection open socket base control trinary motor

ESP8266 NodeMCU 16×2 LCD Interface | Circuits4you.com

ESP8266 NodeMCU 16×2 LCD Interface | Circuits4you.com circuits4you.com

esp8266 nodemcu 16x2 mcu circuits4you

TV Remote Jammer

TV remote jammer www.circuitstoday.com

jammer remote tv circuit 555 diagram circuits ne555 rf infrared ic simple jamming principle based radar operating

Gps Circuit Page 2 : RF Circuits :: Next.gr

gps circuit Page 2 : RF Circuits :: Next.gr www.next.gr

gps gr

NEW GSM SOLUTIONS: Iphone 4G Schematic Diagram, Circuit Diagram, Pcb Layout

NEW GSM SOLUTIONS: Iphone 4G Schematic Diagram, circuit diagram, pcb layout newgsmsolution.blogspot.com

iphone diagram schematic pcb schematics 4g circuit mic 4s solution unlocked link layout cellular phones manual guide cht ripon tips

Module-GPS

module-GPS www.gsm-modem.de

GPS/GSM Module. Circuit Diagram « Magictale Electronics

GPS/GSM Module. Circuit Diagram « Magictale Electronics atmega.magictale.com

circuit diagram module gsm gps schematics diagrams avr atmega projects project under attribution licensed commons note creative

Index 8 - Signal Processing - Circuit Diagram - SeekIC.com

Index 8 - Signal Processing - Circuit Diagram - SeekIC.com www.seekic.com

processing signal seekic circuit diagram

Esp32 mqtt. Gps tracking using esp32 and iot platform over mqtt. Gps circuit page 2 : rf circuits :: next.gr